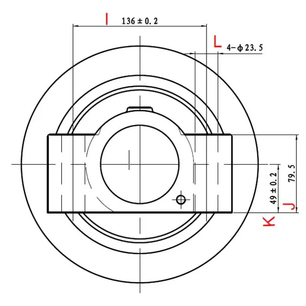
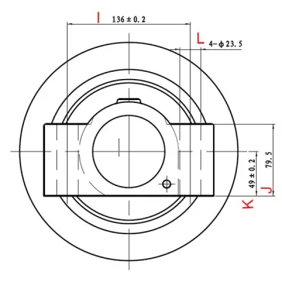
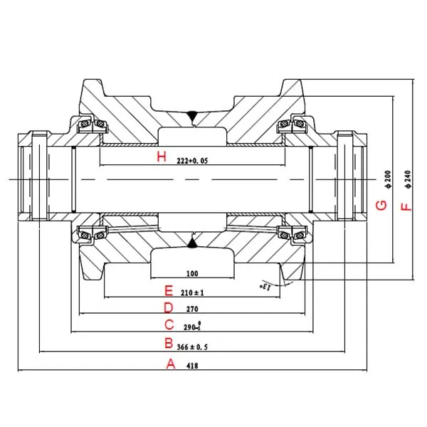
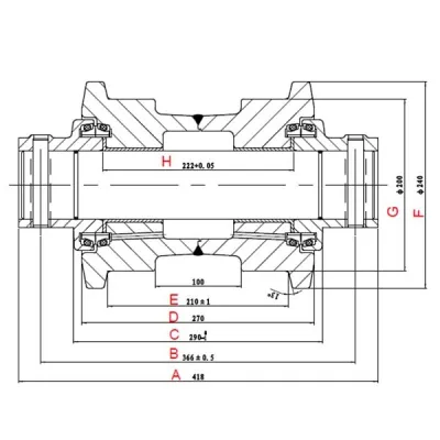
Nossas peças de reposição



Fundada em 1987, a PingTai Machinery (PT'ZM) é especializada em peças para chassis de escavadeiras e tratores, incluindo roletes, rodas-guia, rodas motriz, segmentos de rodas motriz e componentes relacionados. Fabricados de acordo com as especificações OEM precisas 1:1 para Komatsu, Caterpillar, Hitachi, Volvo e outras marcas líderes, nossos produtos são duráveis para mineração, construção urbana e ambientes extremos. Certificada com GB/ISO9001, ISO14001 e ISO45001, a PT'ZM atende clientes em todo o mundo, oferecendo produtos de alta qualidade, entrega confiável, suporte técnico e soluções econômicas para parcerias de longo prazo e mutuamente benéficas.